国务院关税税则委员会关于对原产于美国的部分进口商品加征关税的公告
税委会公告2025年第1号
2025年2月1日,美国政府宣布以芬太尼等问题为由对所有中国输美商品加征10%关税。美方单边加征关税的做法严重违反世界贸易组织规则,不仅无益于解决自身问题,也对中美正常经贸合作造成破坏。
根据《中华人民共和国关税法》、《中华人民共和国海关法》、《中华人民共和国对外贸易法》等法律法规和国际法基本原则,经国务院批准,自2025年2月10日起,对原产于美国的部分进口商品加征关税。有关事项如下:
一、对煤炭、液化天然气加征15%关税,具体商品范围见附件1。
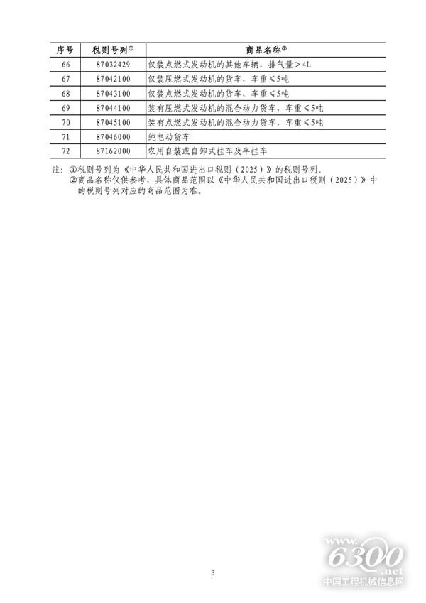
二、对原油、农业机械、大排量汽车、皮卡加征10%关税,具体商品范围见附件2。
三、对原产于美国的附件所列进口商品,在现行适用关税税率基础上分别加征相应关税,现行保税、减免税政策不变,此次加征的关税不予减免。
附件:1.加征15%关税商品清单
2.加征10%关税商品清单
国务院关税税则委员会
2025年2月4日


友情提醒 |
本信息真实性未经中国工程机械信息网证实,仅供您参考。未经许可,请勿转载。已经本网授权使用的,应在授权范围内使用,并注明“来源:中国工程机械信息网”。 |
特别注意 |
本网部分文章转载自其它媒体,转载目的在于传递更多行业信息,并不代表本网赞同其观点和对其真实性负责。在本网论坛上发表言论者,文责自负,本网有权在网站内转载或引用,论坛的言论不代表本网观点。本网所提供的信息,如需使用,请与原作者联系,版权归原作者所有。如果涉及版权需要同本网联系的,请在15日内进行。 |
2025CICEE长沙工程机械展专题
bauma CHINA 2024上海宝马工程..